煤气初冷和煤焦油氨水的分离
发布日期:2020-6-22 来源:氢能观察 作者:admin
焦炉煤气从炭化室经上升管逸出时的温度为650~750℃、此时煤气中含有煤焦油气、苯族烃、水汽、氨、硫化氢、氰化氢、萘及其他化合物,为回收和处理这些化合物,首先应将煤气冷却,原因如下:
①从煤气中回收化学产品和净化煤气时,多采用比较简单易行的冷凝法、冷却法和吸收法,在较低的温度下(25~35℃)才能保证较高的回收率;
②含有大量水汽的高温煤气体积大(例如由附表1查得0℃时1m3干煤气,在80℃经水蒸气饱和后的体积为2.429m3,而在 25℃经水汽饱和的体积为 1.126m3前者比后者大1.16倍),显然所需输送煤气管道直径﹑鼓风机的输送能力和功率均增大,这是不经济的。
③在煤气冷却过程中,不但有水汽冷凝,巨大部分煤焦油和萘也被分离出来,部分硫化物、氰化物等腐蚀性介质溶于冷凝液中从而可减少回收设备及管道的堵塞和腐蚀。
煤气的初步冷却分两步进行:第一步是在集气管及桥管中用大量循环氨水喷洒,使煤气冷却到80~90℃;第二步再在煤气初冷器中冷却。在初冷器中将煤气冷却到何种程度防化学产品回收与煤气净化所选用的工艺方法而异,经技术经济比较后确定。例如若以硫酸或磷酸作为吸收剂,用化学吸收法除去煤气中的氨,初冷器后煤气温度可以高一些,一般为25~35℃;若以水作吸收剂用物理吸收法除去煤气中的氨初冷后煤气温度要低些一般为25℃以下。
第一节煤气在集气管内的冷却
一、煤气在这气管内的冷劫机理
l.冷却的机理
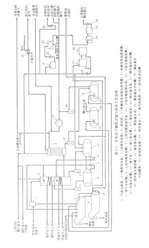
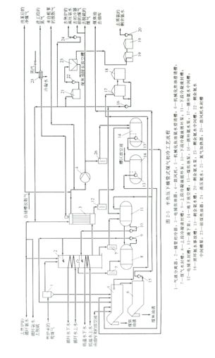
煤气在桥管和集气管内的冷却是用表压为150~200kPa(表压〕的循环发水通过喷头强烈喷洒进行的(如图2-1所示)。当细雾状的氨水与煤气充
分接触时,由于煤气温度很高而湿度又很低,故煤气放出大量显热,氨水大量蒸发快速进行着传热和传质过程。传热过程推动力是煤气与氨水的温度差,所传递的热量为显热,是高温的煤气将热量传给低温的循环氨水。传质过程的推动力是循环氨水液面上的水汽分压与煤气中水汽分压之差,氨水部分蒸发,煤气温度急剧降低,以供给氨水蒸发所需的潜热,此部分热量约占煤气冷却所放出总热量的75~80%,另有约占所放出总热量l0%的热量由集气管表面散失。
通过上述冷却过程,煤气温度由650~750℃降至80~85℃,同时有60%左右的煤焦油气冷凝下来,含在煤气中的粉尘也被冲洗下来,有煤焦油渣产生。在集气管冷却煤气主要是靠氨水蒸发吸收需要的相变热、使煤气显热减少温度降低,所以煤气温度可冷却至高于其最终达到的露点温度1~3℃。煤气的露点温度就是煤气被水汽饱和的温度,也是煤气在集气管中冷却的极限。
2.煤气露点与煤气中水汽含量的关系
煤气的冷却及所达到的露点温度同下列因素有关;煤料的水分、进集气管前煤气的温度、循环氨水量、进出口温度以及集气管压强、氨水喷洒效果等。其中以煤料水分影响最大,在一般生产条件下,煤料水分每降低l%,露点温度可降低0.6~0.7℃。显然,降低煤料水分,对煤气的冷却很重要。煤气露点与煤气中水汽含量之间的关系如图2—2所示。

由于煤气的冷却主要是靠氨水的蒸发,所以,氨水喷洒的雾化程度好,循环氨水的温度较高(氨水液面上水汽分压较大),氨水蒸发量大,煤气即冷却得较好,反之则差。
二、煤气在集气管内冷却得技术要求
1.集气管技术操作指标
集气管技术操作的主要数据(中国沿海地区数据)如下:

由于上述数据可见,煤气虽然已显著冷却,但集气管内不仅不发生水蒸汽的冷凝,相反由于氨水蒸发,使煤气中水分增加、但煤气仍未被水汽所饱和,经冷却后煤气温度仍高于煤气的露点温度。
2.技术要求
①集气管在正常操作过程中用氨水而不用冷水喷洒,因冷水温度低不易蒸发,使煤气冷却效果不好,所带人的矿物杂质会增加沥青的灰分。此外由于水温很低,使集气管底部剧烈冷却、冷凝的煤焦油黏度增大,易使集气管堵塞。由于氨水是碱性,能中和煤油酸,保护了煤气管道。氨水又有润滑性,便于煤焦油流动,可以防止煤气冷却过程中煤粉、焦粒、煤焦油混合形成的煤焦油渣因积聚而堵塞煤气管道。
②进入集气管前的煤气露点温度主要与装入煤的水分含量有关,煤料中水分(化合水及配煤水分,约占干煤质量的10%)形成的水汽在冷却时放出的显热约占总放出热量的23%,所以降低煤料水分,会显著影响煤气在集气管冷却的程度,当装入煤全部水分为8%~11%时,相应的露点温度为65~70℃。为保证氨水蒸发的推动力,进口水温应高于煤气露点温度5~10℃,所以采用72~78℃的循环氨水喷洒煤气。
③对不同形式的焦炉所需的循环氟水量也有所不同,生产实践经验确定的定额数据为:对单集气管的焦炉,每1t于煤田需5m3循环红水,对双集气管焦炉需6m3的循环氨水。近年来,国内外焦化厂已普遍在焦炉集气管上采用了高压氨水代替蒸汽喷射进行无烟装煤,个别厂还采用了预热煤炼焦设置了独立的氨水循环系统,用于专设的焦炉集气管的喷洒,则它们的循环氨水量又各不同。
④集气管冷却操作中,应经常对设备进行清扫,保持循环氨水喷洒系统畅通,氨水压力、温度、循环量力求稳定。
三、集气管的物料平衡与热乎街
通过集气管的物料平衡和热平衡的计算可以了解集气管内物料转移的q情况以及求得冷却后的煤气温度。若冷却后的煤气温度已确定,就可以求得必需的循环氨水用量及其蒸发量。也可用以评定集气管操作好坏。
下面以中国某焦化厂实际生产数据为例计算煤气被冷却至一定温度时循环氨水的蒸发水量和集气管出口煤气的露点温度。
1.某厂实际生产数据
(1)产品产率(占干煤质量)


3.煤气露点温度的确定


第二节煤气在初冷器的冷却
出炭化室的荒煤气在桥管、集气管用循环红水喷洒冷却后的温度仍高达80~85℃,且包含有大量煤焦油气和水蒸气及其他物质。由于煤焦油气和水蒸气很容易用冷却法使其冷凝下来而且将它们先从煤气中除去,对回收其他儿学产品减少煤气体积节省 输送煤气所需动力,都是有利的所以让煤气由集气管沿吸煤气主管流向煤气初冷器进一步冷却,煤气在沿吸煤气主管流向初冷器过程中吸煤气主管还起着空气冷却器的作用,煤气可降温l~3℃。
煤气冷却和煤焦油气、水蒸气的冷凝可以采用不同形式的冷却器。被冷却的煤气与冷却介质直接接触的冷却器,称为直接混合式冷却器,简称为直接冷却器或直接冷却(间冷);冷却的煤气与冷却介质分别从固体壁面的两侧流过,煤气将热量传给壁面,再由壁面传给冷却介质的冷却器,称为间壁式冷热器,简称为间接冷却器或间接冷却(直冷)由于冷却器的形式不同,煤气冷却所采取的流程也不同.
煤气冷却的流程可分为间接冷却、直接冷却和间冷-直冷混合冷却三种.上述三种流程各有优缺点可根据生产规模、工艺要求及其他条件因地制宜地选择采用。中国目前广泛采用的是间接冷却。
一、煤气的间接冷却
1.立管式冷却器间接冷却工艺流程
如图2-3所示为立管式煤气初冷工艺流程、焦炉煤气与循环氨水、冷凝煤焦油等沿吸煤气主管先进人气液分离器,煤气与煤焦油、氟水、煤焦油渣等在此分离、分离下来的氨水和煤焦油一起进入机械化(煤)焦油氨水澄清槽(习惯称机械化焦油氨水澄清槽,下同),利用密度不同经过静置澄清分成三层:上层为氨水(密度为1.01~1.02kg/升),中层为煤焦油(密度为 117~1.20kg/L)下层为煤焦油渣(密度为1.25kg/L)。沉淀下来的煤焦油渣由刮板输送机连续刮送至漏斗处排出槽外。煤焦油则通过液面调节器流至煤焦油中间槽,由此泵往煤焦油储槽,经初步脱水后泵往煤焦油车间、氟水由澄清槽上部港流至红水中间槽,再用循环氨水泵送回焦炉集气管以冷却荒煤气、这部分氟水称为循环氨水。
经气液分离后的煤气进入数台并联立管式间接冷却器(初冷器),用水间接冷却,煤气走管间冷却水走管内。从各台初冷器出来的煤气温度是有差别的,汇集在一起后的煤气温度称为集合温度,这个温度依生产工艺的不同而有不同的要求:在生产硫酸铵系统中,要求集合温度低于35℃在水洗氨生产系统中,则要求集合温度低于25℃。随着煤气的冷却,煤气中绝大部分煤焦油气、大部分水汽和萘在初冷器中被冷凝下来,萘溶解于煤焦油中。煤气中一定数量的氨、二氧化碳、硫化氢、氰化氢和其他组分溶解于冷凝水中形成了冷凝氨水。
煤焦油和冷凝氨水的混合液称为冷凝液。冷凝氨水中含有较多的挥发铵盐[NH3与H2S﹑H2CO3形成的铵盐,如(NH4)S﹑NH4CN﹑(NH4)2CO3等],固定铵盐[如NH4CL、NH4CNS、(NH4)SO4和(NH4)S2O3等]的含量较少。当其溶液加热至100℃即分解的铵盐为挥发铵盐,需加热到220~250℃或有碱存在的情

况下才能分解的铵盐叫固定铵盐、循环氨水中主要含有固定铵盐,在其单独循环时,固定铵盐含量可高达30~40g/L。为降低循环氨水中固定铵盐的含量,以减轻对煤焦油蒸馏设备的腐蚀和改善煤焦油的脱水、脱盐操作,大多采用两种氨水混合的分离流程,混合氨水固定铵盐含量可降至1.3~3.5g/L。如画 2-3所示,冷凝液自流入冷凝液槽,再用泵送人机械化焦抽氨水澄清槽,与循环氨水混合澄清分离。分离后所得剩余氨水送去蒸氨,蒸氨废水还应经生化处理后才能外排。
由管式初冷器出来的煤气尚含有 1.5~2g/m3的雾状煤焦油,被鼓风机抽送至电捕焦油器除去其中绝大部分煤焦油露后,送往下一道工序。
当冷却煤气用的冷却水为直流水时(水源充足的地区),初冷器后的热水直接排放(或用作余热水供热)。如为循环水时,则将热水送到凉水架冷却后循环使用冷却后的温度随地区、季节不同而异,在冬季自然冷却,在夏季靠轴流风机强制冷却,一般至25℃左右,再送回初冷器。
上述煤气间接初冷流程适用于生产硫酸铵工艺系统,当水洗氨给生产时,为使初冷后煤气集合温度达到 20℃左右,宜采用两段初冷。
两段初冷可采用如图2-4所示具有两段初冷功能的初冷器,其中前四个煤气通道为第一段,后两个煤气通道为第二段。在第一段用循环冷却水将煤气冷却到约45℃,第二段用低温水将煤气冷却到25℃以下。
也可采用初冷器并串联实现煤气两段初冷。例如用“二单一”。即煤气先

通过作为第一段的两台并联的初冷器,再汇合通过作为第二段的一台初冷器,简称为“二串一”,第一段用循环水冷却,第二段用低温水冷却,可将煤气冷却到25℃以下,或用“三串一”工艺。
2.横管式初冷器间接初冷工艺流程
横管式煤气初冷器冷却,煤气走管间,冷却水走管内。水通道分上下两段,上段用循环水冷却,下段用制冷水冷却,将煤气温度冷却到22℃以下。横管式初冷器煤气通道,一般分上、中、下三段,上段用循环氨水喷洒,中断和下段用冷凝液喷洒,根据上、中、下段冷凝液液量和热负荷的计算可知:上段和中段冷凝液液量约占总量的95%而下段冷凝液量仅占总量的5%;从上段和中段流至下段的冷凝液由45℃降至30℃的显热及喷洒的冷凝液冷却显热约占总热负荷的60%;下段冷凝液的冷凝潜热及冷却至30℃的显热,约占总热负荷的20%;下段喷洒冷凝液的冷却显热,约占总热负荷的20%。由此可见,上段和中段喷洒的氨水和冷凝液全部从下段排出,显著地增加了下段负荷、为此推荐如图2-4所示的横管式煤气初冷工艺流程。
该流程上段和中段冷凝液从隔断板经水封自流至氨水分离器,下段冷凝液经水封自流至冷凝液槽。下段冷凝液主要是轻质煤焦油,作为中段和下段喷洒液有利于洗萘。喷洒液不足时,可补充煤焦油或上段和中段的冷凝液。该流程最突出的优点是横管式初冷器下段的热负荷显著降低,低温冷却水用量大为减少。
新建焦化厂一般采用半负压回收系统横管式初冷器间接冷却煤气工艺流程,如图2-5所示。从焦炉来的煤焦油氨水与煤气的混合物约80℃入气液分离器,煤气与煤焦油氨水等在此分离、分离出的粉煤气并联进人三台横管式初冷器,当其中任一台检修或吹扫时,其余两台基本满足正常生产时的工艺要求,初冷器分上、下两段,用循环水将煤气冷却到45℃,然后煤气入初冷器下段与制冷水换热,煤气被冷却到22℃,冷却后的煤气并联进人两台电捕焦油器,当一台电捕焦油器检修或冲洗时,另一台电捕焦油器基本满足正常生产时的工艺要求。捕集煤焦油雾满后的煤气送煤气鼓风机进行加压,煤气鼓风机一开一备,加压后煤气送往脱硫及硫回收工段。
为了保证初冷器的冷却效果,在上、下段连续喷洒煤焦油氨水混合液,在具顶部用热氨水不定期冲洗,以清除管壁上的煤焦油、萘等杂质
初冷器的煤气冷凝液由初冷器上段和下段分别流出,并分别进入各自的初冷器水封槽,初冷器水封槽的煤气冷凝液分别溢流至上、下段冷凝液循环槽,再分别由上、下段冷凝液循环泵送至初冷器上、下段喷淋洗涤除萘及煤焦油,如此循环使用。下段冷凝液循环槽多余的冷凝液溢流至上段冷凝液循环槽,上段冷凝液循环通多余部分由泵抽送至机械化焦油氨水澄清槽,从气液分离器分离的煤焦油氨水与煤焦油渣并联进入三台机械化焦油氨水澄清槽,澄清后分离成三层,上层为氨水,中层为煤焦油,下层为煤焦油渣。分离的氨水并联进人两大循环氨水槽,然后用循环氨水泵送至焦炉冷却荒煤气及初冷器上段和电捕焦油器间断吹扫喷淋使用。多余的氨水去剩余氨水槽,用剩余氨水泵送至脱硫工段进行蒸氨。分离的煤焦油靠静压流入机械化焦油澄清槽,进一步进行煤焦油与煤焦油汹的沉降分离,煤焦油用煤焦油泵送至酸碱油品库区煤焦油槽、分离的煤焦油渣定期送往煤场掺入煤中炼焦。
3.剩余氨水量的计算
在氨水循环系统中,由于加入配煤水分和炼焦时产生的化合水,攸使氨水量增多而形成所谓的剩余氨水。这部分氨水从循环氨水泵出口管路上引出,送去蒸氨。其数量可由下列估算确定。



煤气初冷的集合温度不宜偏高,否则会带来下列问题。
①煤气中水汽含量增多,体积变大,致使鼓风机能力不足,影响煤气正常输送。
②煤焦油气冷凝率降低,初冷后煤气中煤焦油含量增多,影响后续序生产操作。
③在初冷器内,煤气冷却到一定程度(一般认为55℃)以下,萘蒸气凝结呈细小薄片晶体析出,可溶人煤焦抽中,温度愈低,煤气中萘蒸气含量也愈少,当集合温度高时,煤气中含萘量将显著增大。根据现场资料甚至煤气中萘含量比同温下亲蒸气饱和含量高l~2倍。这些未分离除去的萘会造成煤气管道和后续设备的堵塞,增加洗萘系统负荷,给洗氨、洗苯带来困难。
由上述可见,在煤气初冷操作中,必须保证初冷器后集合温度不高于规定值,并尽可能地脱除煤气中的萘。
焦炉煤气是多组分混合物。其中的H2、CH4、CO、CO2、N2、CnHm(按乙烯计)、O2等,在常温条件下始终保持气态,而且在其后的冷却、加压及回收化学产品过程中,其总物质的量的流量不变,故这部分气体称为干煤气。又因在标准状态下1kmol理想气体的体积为22.4m3,故以m3/h作为干煤气的流量的计量单位时,干煤气的体积流量也是不变的,与干煤气不同的是水蒸气、粗苯气、煤焦油气以及NH3、H2S、HCN等,在煤气冷却过程中,有的会冷凝成液体溶于水或在化学产品回收中采用吸收的方法将其从煤气中分离出去,这些成分是可变的,都不属于干煤气的成分,在煤气中的含量,常以g/m3为单位计量。
二、煤气的直接冷却
煤气的直接冷却,是在直接式煤气初冷塔内由煤气和冷却水直接接触传热完成的。中国有些小型焦化厂大都用直接初冷却流程。如图2-7所示。
由图 2-7可见由吸煤气主管来的 80~85℃的煤气经过气液分离器进入并联的直接式煤气初冷塔,用氨水喷洒冷却到25~28℃,然后由鼓风机送至电捕焦油器,电捕除焦油露后,将煤气送往回收氨工段。

由气液分离器分离出的氨水、煤焦油和煤焦油渣,经煤焦油盒分出煤焦油渣后流入焦油氨水澄清池从澄清池出来的氨水用泵送回集气管喷洒冷却煤气、澄清池底部的煤焦油流入煤焦油池,然后用泵抽送到煤焦油槽,再送往煤焦油车间加工处理。煤焦油盒底部的焦油渣由人工捞出。
初冷塔底部流出的氨水和冷凝液经水封槽进入初冷循环氨水澄清池,与洗氨塔来的氨水混合并在澄清池与煤焦油进行分离、分离出来的煤焦油与上述煤焦油混合。澄清后的氨水则用泵送入冷却器冷却后,送至初冷塔循环使用。剩余氨水则送去蒸氨或脱酚。
从初冷塔流出的氨水,由氨水管路上引出支管至煤焦油氨水澄清池,以补充焦炉用循环氨水的蒸发损失。
煤气直接冷却,不但冷却了煤气,而且具有净化煤气的良好效果。据某厂实测生产数据表明,在直接式煤气初冷塔内,可以洗去90%以上的煤焦油,80%左右的氨,60%以上的萘。以及约50%的硫化氢和氰化氢、这对后面洗氨洗苯过程及减少设备腐蚀都有好处。
同煤气间接冷却相比,直接冷却还具有冷却效率较高,煤气压力损失小、基建投资较少等优点,但也具有工艺流程较复杂,动力消耗较大,循环氨水冷却器易腐蚀易给堵塞、各登清池污染严重,大气环境恶劣等缺点、因此目前大型焦化厂还很少单独采用这种煤气直接冷却流程。
国外一些大型焦化厂也有采用煤气直接冷却流程的,空喷塔和冷却器等采取防腐措施,各澄清池皆配有顶盖,排放气体的集中洗涤。空喷塔用经过冷却的氨水煤焦油混合液喷洒。在冷却煤气的同时,还将煤气中夹带的部分萘除去。由初冷塔流出来的冷凝液进人专用的焦油氨水澄清槽进行分离,澄清后的氨水供循环使用,并将多余部分送去蒸氨加工。
三、间接冷却和直接冷却结合的煤气初冷
煤气的直接冷却是在直接冷却塔内,由煤气和冷却水(经冷却后的氨水焦油混合液)直接接触传热而完成的。此法不仅冷却了煤气,且具有净化煤气效果良好、设备结构简单、造价低及煤气阻力小等优点。间冷、直冷结合的煤气初冷工艺即是将二者优点结合的方法,在国内外大型焦化已得到采用。
自集气管来的荒煤气几乎为水蒸气所饱和,水蒸气热焓约占煤气总热焓的94%,所以煤气在高温阶段冷却所放出的热量绝大部分为水蒸气冷凝热,因而传热系数较高;而且在温度较高时(高于52℃),萘不会凝结造成设备堵塞。所以煤气高温冷却阶段宜采用间接冷却。而在低温冷却阶段,由于煤气中水汽含量已大为减少,气体对壁面间的对流传热系数低,同时萘的凝结也易于造成堵塞。所以,此阶段宜采用直接冷却。
间冷和直冷结合的煤气初冷流程如图2-8所示,由集气管来的82℃左右的荒煤气经气液分离器分离出煤焦油氨水后。进人横管式间接冷却能被冷却到50~55℃再进人直冷空喷塔冷却到25~35℃。在直冷空喷塔内,煤气由下向上流动,与分两段喷淋下来的氨水煤焦油混合液逆流密切接触而得到冷却.

聚集在塔底的喷洒液及冷凝液沉淀出其中的固体杂质后,其中用于循环喷洒的部分经液封槽用泵送入螺旋板换热器,在此冷却到25℃左右,再压送至直冷空喷塔上、中两段喷洒。相当于塔内生成的冷凝液量的部分混合液,由塔底导入机械化焦油氨水澄清槽,与气液分离器下来的氨水、煤焦油以及横管初冷器下来的冷凝液等一起混合后进行分离。澄清的氨水进入氨水槽后,泵往焦炉喷洒,剩余氨水经氨水储槽泵送脱酚及蒸氨装置。初步澄清的煤焦油送至煤焦油分离槽除去煤焦油渣及进一步脱除水分,然后经煤焦油中间槽泵入煤焦油储槽。
直冷空喷塔内喷洒用的洗涤液在冷却煤气的同时,还吸收硫化氢、氨及萘等,并逐渐为萘饱和。采用螺旋板换热器来冷却闭路循环的洗涤液,可以减轻由于萘的沉积而造成的堵塞。
在采用氨水混合分离系统时,循环氨水中排发氨的浓度相对增加,而循环氨水的温度又高,因而氨的排发损失将增大。为防止氨的挥发损失及减少污染,澄清槽和液体槽宜采用封闭系统,并设置排气洗净塔以净化由槽内排除的气体。
第三节煤焦油氨水的分离
近年来,对煤焦油氨水的分离引起了重视,一方面是由于采用预热煤炼焦和实行无烟装煤给这一分离过程带来了新问题,另一方面是因为要求提供无煤焦油氨水和无渣低水分煤焦油的需要同时还要求尽量减少煤焦油渣中的煤焦油含量以增产煤焦油。
一.煤焦油氨水混合物的性质及分离要求
在用循环氨水于集气管内喷洒荒煤气时,约60%的煤焦油冷凝下来这种集气管煤焦油是重质煤焦油,其相对密度(20℃)为1.22左右,黏度较大,其中混有一定数量的煤焦油渣。煤焦油渣内含有煤尘、焦粉,炭化室顶部热解产生的游离碳及清扫上升管和集气管时所带人的多孔物质,其量约占煤焦油渣的30%,其余约70%为煤焦油,煤焦油渣量一般为煤焦油量的0.15%~0.3%当实行蒸汽喷射无烟装煤时其量可达0.4%~1.0%在用预热煤炼焦时,其量更高。
煤焦油渣内固定碳含量约为60%,挥发分含量约33%,灰分约4﹪,气孔率约63%,在密度为1.27~1.3kg/L。因其与集气管煤焦油的密度差小,粒度小,易与煤焦油黏附在一起,所以难以分离。
煤气在初冷器中冷却,冷凝下来的煤焦油为轻质煤焦油。其轻级分含量较多。在两种氨水混合分离流程中,上述轻质煤焦油和重质煤焦油的混合物称之为混合煤焦油。混合煤焦油20℃密度可降至1.15~1.19 kg/L。黏度比重质煤焦油减少20%~45%,煤焦油渣易于沉淀下来,混合煤焦油质量明显改善,但在煤焦油中仍存在一些浮煤焦油渣,给煤焦油分离带来一定困难。
煤焦油的脱水直接受温度和循环氨水中固定铵盐含量的影响,在80~90℃和固定铵盐浓度较低情况下,煤焦油与氨水较易分离。因此,在独立的氨水分离系统中,集气管煤焦油脱水程度较差而在采用混合氨水分离流程时,混合煤焦油的脱水程度较好,但只进行一步澄清分离仍不能达到要求的脱水程度,还需在煤焦油储槽内保持80~90℃条件下进一步脱水,在图2-9所示流程中采用两步澄清分离设备,可达到要求的质量标准。
目前中国焦化厂生产的煤焦油质量标准见表2-1。经澄清分离后的循环氨水中煤焦油物质含量越低越好,最好不超过100mg/L。
表2-1煤焦油质量标准

二、煤焦油氨水混合物的分离方法和流程
大中型焦化厂—般采用如图2—3及图2—5所示的煤焦油氨水分离流程。近年来,为改善煤焦油脱渣和脱水提出了许多改进方法,如用蒽油稀释;用初冷冷凝液洗涤;用微孔陶瓷过滤器在压力下净化煤焦油;在冷凝工段进行煤焦抽的蒸发脱水;以及振动过滤和离心分离等。其中以机械化焦油氨水澄清槽和离心分离相结合的方法应用较为广泛,其工艺流程如图2—9所示。

由集气管来的液体混合物先进入机械化焦油氨水澄清槽1,分离了氨水的煤焦油由此进入煤焦油脱水澄清槽2,然后泵送至卧式连续离心沉降分离机3除渣,分离出的煤焦油渣放入煤焦油渣收集槽4,净化的煤焦抽放人煤焦油中间槽5,再送人煤焦油储槽6。
卧式连续沉降分离机的操作情况如图2—10所示,温度为70~80℃的煤焦油经由中空轴送入转鼓内,在离心力作用下,煤焦油渣沉降于鼓壁上,并被设于转鼓内的螺旋卸料机[见图2—l0(b)]连续地由一端排到机体外,澄清的煤焦油也连续地从另一端排出。

用离心分离法处理煤焦油,分离效率很高,可使煤焦油除渣率达90﹪左右,但基建费及消耗较大。
在采用预热煤炼焦时,为不使煤焦油质量变坏,在焦炉上可设两套集气管装置,将装炉时发生的煤气抽到专用集气管内,并设置较简易的专用氨水煤焦油分离及氨水喷洒循环系统。由装炉集气管所得到的煤焦油(约占煤焦油总量的1%)含有大量煤尘,这部分煤焦油一般只供筑路或作燃料用,也可与集气管下来的氨水在混合搅拌槽内混合,再经离心分离以回收煤焦油。
此外,还可采用在压力下分离煤焦油中水分的装置。将经过澄清仍然含水的煤焦油,泵入一卧式压力分离槽内进行分离,槽内保持8l~152kPa,并保持温度为70~80℃。在此条件下,可防止溶于煤焦汕中的气体逸出及因之引起的混合液上下窜动,从而改善了分离效果,煤焦油水分可降至2%左右。
三、煤焦油质量的控制
由表2-1可见,煤焦油中水分,灰分、甲苯不溶物是煤焦油质量的重要指标,它主要取决于冷凝工序的生产操作。操作中应注意如下几点。
①机械化焦油氨水澄清槽内心保持—定的煤焦油层厚度,—般为1.5~2m,排出煤焦油时应连续均匀,不宜过快,要求夹带的氨水和煤焦油渣尽可能少,最好应装有自动控制装置。
②严禁在机械化焦油氨水澄清槽内随意排入生产中的杂油、杂水,以利于煤焦油、氨水、煤焦油渣分层,便于分离。
③静置脱水的煤焦油储槽,严格控制温度在80~90℃,保证静置时间在两昼夜以上。同时应按时放水,向精制车间送油时应均匀进行,且保持槽内有一定的库存量。
④严格控制初冷器后的集合温度符合工艺要求,避免因增大鼓风机吸力而增加煤粉和焦粉的带入量。另外,焦炉操作应力求稳定,严格执行各项技术操作规定,尽量减少因煤粉、焦粉带入煤气刚形成煤焦油渣,防止煤焦油氨水分离困难。
⑤机械化焦油氨水澄清槽氨水满流情况、煤焦油压油情况、油水界面升降,减速机、削渣机运行情况保持正常。
第四节 煤气冷却和冷凝的主要设备
一、煤气冷却设备
1.立管式间接初冷器
(1)构造及性能 如图2-11所示,立管式间接初冷器的横断面呈长椭圆行,直立的钢管束装在上下两块管栅扳之间,被五块纵挡板分成八个管组,因而煤气通路也分成六个流道。煤气走管间,冷却水走管内,二者逆向流动。冷却水从初冷器煤气出口端底部进入,依次通过各组管束后排出器外。由图可见,六个煤气流道的横断面积是不一样的,这是因为煤气流过初冷器时温度逐步降低。并冷凝出液体,煤气的体积流量逐渐减小。为使煤气住各个流道中的流速大体保持稳定,所以沿煤气流向各流道的横断面积依次递减;而冷却水沿其流向各管束的横断面积则相应地递增。所用钢管规格为φ76mmX 3mm 立管式冷却器一般均为多台并联操作,煤气流速为3~4m/s,煤气通过阻力约为0.5~1kPa。
当接近饱和的煤气进入初冷器后,即有水汽和煤焦油气在管壁上将疑下来,冷凝液在管壁上形成很薄的液膜,在重力作用下沿管壁向下流动,并因不断有新的冷凝液加入,液膜逐渐加厚,从而降低了传热系数。此外,随着煤气的冷却,冷凝的萘将以固态薄片晶体析出。
在初冷器前几个流道中,因冷凝煤焦油量多,温度也较高,萘多溶于煤焦油中;在其后通路中,因冷凝煤焦油量少,温度低。萘晶体将沉积在管壁上,使传热系数降低,煤气流通阻力亦增大。在煤气上升通路上。冷凝物还会因接触热煤气而又部分蒸发,因而增加了煤气中萘的含量。上述问题都是立管式初冷器的缺点。为克服这些缺点,可在初冷器后几个煤气流道内,用含萘较低的混合煤焦油进行喷洒,可解决萘的沉积堵塞问题,还能降低出口煤气中的萘含量,使之低于集合温度下萘在煤气中的饱和浓度。




(3)传热特点及传热系数,煤气在初冷器内的冷却是包含对流给热和热传导的综合传热过程,在煤气冷却的同时还进行着:水汽的冷凝、煤焦油气的冷凝、冷凝液的冷却。故比一般传热过程复杂。因此,这一过程不仅是在变化的温度下同是在变化的传热系数下进行的。
据传热计算,可求得立管式初冷器煤气入口处的传热系数K值可达840kJ/(m2·h·℃),而在出口处仅为210kJ/(m2·h·℃)。在初冷器第一段流道中,由于K值大,煤气与水之间的温度差也大,虽然其传热面积仅占总传热面积的21%强,但所移走的热量要占煤气冷却放出总热量的50%以上。第一段通路是冷却器中对煤气冷却过程起决定性作用的部分,在计算一段初冷工艺的冷却面积时,可取平均K值为500~520 kJ/(m2·h·℃)。
2.横管式间接初冷器
(1)构造及性能 如图2-12所示,横管初冷器具有直立长方体形的外壳,冷却水管与水平面成30角横向配置。管板外侧管箱与冷却水管连通,构成冷却水通道,可分两段或三段供水。两段供水是供低温水和循环水,三段供水则供低温水、循环水和采暖水.煤气自上而下通过初冷器。冷却水由每段下部进入,低温水供人最下段,以提高传热温差,降低煤气出口温度:在冷却器壳程各段上部,设置喷洒装置,连续喷洒含煤焦油的氨水,以清洗管外壁沉积的煤焦油和萘,同时还可以从煤气中吸收一部分萘。
在横管初冷器中,煤气和冷凝液由上往下同时流动,较为合理。由于

管壁上沉积的萘可被冷凝液冲洗和溶解下来,同时于冷却器上部喷洒氨水,自中部喷煤焦油,能更好的冲洗沉积的萘,从而有效的提高了传热系数。此外,还可以防止冷凝液再度蒸发。
在煤气初冷器内90﹪以上的冷却能力用于水汽的冷凝,从结构上看,横管式初冷器更有利于蒸汽的冷凝。
横管式初冷器用Φ54mm 3mm的钢管,管细且束晓,因而水的流速可达0.5~0.7m/s。又由于冷却水管在冷却器断面上水平密集布设,使与之成错流的煤气产生强烈湍动,从而提高了传热系数。并能实现均匀的冷却,煤气可冷却到出口温度只比进口水温高2℃。横管初冷器虽然具有上述优点,但水管结垢较难清扫,要求使用水质好的或经过处理含萘低的冷却水。
横管韧冷器与竖管初冷器两者相比,横管初冷器有更多优点,如对煤气的冷却、净化效果好,节省钢材,造价低,冷却水用量少,生产稳定,操作方便,结构紧凑,占地面积省。因此,近年来,新建焦化厂广泛采用横管初冷器,已很少再用竖管初冷器了。
(2)横管式初冷器的计算 按间冷、直冷相结合的煤气初冷器系统的间接初冷器计算。煤气处理量及操作条件如图2-13所示。假设:喷洒液出口温度相同。


3.直接式冷却塔
煤气与冷氨水直接接触换热的冷却器。用于煤气初冷的直接式冷却塔有木格填料塔,金属隔板塔和空喷塔等多种形式,其中空喷塔已在大型焦化厂的间接—直接初冷流程中得到使用。如图2-14所示,空喷塔为钢板焊制的中空直立塔,在塔的顶段和中段各安设六个喷嘴来喷洒25~28℃的循环氨水,所形成的细小液滴在重力作用下于塔内降落,与上升煤气密切接触中,使煤气得到冷却。煤气出口温度可冷却到接近于循环氨水入口温度(温差2~4℃);且有洗除部分煤焦油、萘、氨和硫化氢等效果。由于喷洒液中混有煤焦油,所以可将煤气中萘含量脱除到低于煤气出口温度下的饱和萘的浓度。
空喷冷却塔的冷却效果,主要取决于喷洒液滴的黏度及在全塔截面上分布的均匀性,为此沿塔周围安设6~8个喷嘴,为防止喷嘴阻塞,需定时通入蒸汽清扫。
二、澄清分离设备
煤焦油、氨水和煤焦油渣组成的液体混合物是一种悬浮液和乳浊液的混合物,煤焦油和氨水的密度差较大,容易分离。因此所采用的煤焦油氨水澄清分离设备多是根据分离粗悬浮液的沉降原理制作的。主要有卧式机械化焦油氨水蹬清槽、立式焦油氨水分离器、双锥形氨水分离器等。广泛应用的是卧式机械化焦油氨水澄清槽,较新的发展是将氨水的分离和煤焦油的脱水合为一体的斜板式澄清槽。
1.卧式机械化焦油氨水澄清槽
卧式机械化焦油氨水澄清槽的作用是将煤焦油氨水混合液分离为氨水、煤焦油和煤焦油渣。其结构如图2—15所示,机械化焦油氨水澄清槽是一端为斜底,断面为长方形的钢板焊制容器,由槽内纵向隔板分成平行的两格,每格底部设有由传动链带动的刮板输送机,两台刮板输送机用一套由电动机和减速机组成的传动装置带动。煤焦油、氨水和煤焦油渣由入口管经承受隔室进入澄清槽,使之均匀分布在煤焦油层的上部。澄清后的氨水经溢流槽流出,沉聚于槽下部的煤焦油经液面调节器引出。沉积于槽底的煤焦油渣由移动速度为0.03m3/min的刮板刮送至前伸的头部漏斗内排出。

为阻挡浮在水面的煤焦油渣,在氨水溢流槽附近设有高度为0.5m的木挡板。为了防止悬浮在煤焦油中的煤焦油渣团进入煤焦油引出管内,在氨水澄清槽内设有煤焦抽渣挡板及活动筛板。煤焦油、氨水的澄清时间—般为0.5h。
在采用氨水混合流程时,由于混合煤焦油的密度较小,在保持槽内煤焦油温度为70~80℃和煤焦油层高度为1.5~].8m情况下.煤焦油渣沉降分离效果较好。但在采用蒸汽喷射无烟装煤时,由于浮煤焦油渣量大,煤焦油的分离需分为两步:第一步为与氨水分离,第二步为煤焦油氨水和细粒固体物质的分离。即采用两台煤焦油氨水澄清槽。一台用作氨水分离,而另一台用于煤焦油脱渣脱水。
煤焦油渣约占全部分离煤焦油的0.2%~0.4%,焦炉装煤如采用无烟装煤操作时可达1.5%以上。煤焦油渣中的煤粉、焦粉有70%以上为2mm以下的微粒,


2.立式焦油氨水分离器
如图2—16所示,立式焦油氨水分离器上边为圆柱形,下边为圆锥形,底部由钢板制成(有的又称为锥形底氨水澄清槽)。冷凝液和煤焦油氨水混合液由中间或上边进入,经过一扩散管,利用静置分离的办法,将分离的氨水通过器边槽子接管流出。上边接一挡板,以便将轻煤焦油由上边排出.煤焦油渣为混合物中最重部分,沉于器底。立式焦油氨水分离然下部设有蒸汽夹套,器底设闸阀,煤焦油渣间歇地放出至带蒸汽夹套的管段内,并设有直接蒸汽进口管,通人适量蒸汽通过闸阀将煤焦油渣排出。

立式焦油氨水分离器一般有直径为3.8m和6m两种。其中直径为3.8m的分离器的主要技术特性为:氨水在器内停留时间39min;锥底煤焦油沉积向度1.2m;截面流速0.0007m/s工作温度80℃;夹套内蒸汽压力40kPa。
立式焦油氨水分离器由于容积较小,一般适用于小型焦化厂的煤焦油氨水分离。
三、冷凝液水封槽和接受槽
冷凝液水封槽是化学产品回收车间最为常见的设备之一。为了除煤气管道和煤气设备中由于煤气冷却时所形成的冷凝液,同时又不使煤气漏入大气或空气漏入煤气设备和管道,需要在冷凝液聚积处设置冷凝液排出装置——水封槽。
水封槽的结构如图2—17所示。水封槽是由钢板焊成的直立圆筒形设备。主要设有冷凝液排入管和冷凝液排出管。另外,还设置了蒸汽导入管,供加热和吹扫用。特别是冬天,由于煤焦油黏度很大,萘容易析出而堵塞水封槽,故必须经常通入蒸汽进行吹扫。图2—17中H是煤气管道正压时的水封高度,其水封高度H应大于煤气设备内可能产生的壤大压力(表压)。对于鼓风机前的水封槽(如初冷器水封槽),由于处于负压状态,其水封高度不以图中的H值表示,而是指水封槽冷凝液排出管液面至煤气设备内冷凝液面之间的距离。由于大气压力高于煤气系统中的压力,管l中的冷凝液液面就会高出水封槽液面,其高度取决于煤气吸力。水封高度必须大于可能产生的最大吸力。否则,冷凝液水封槽中的冷凝液就会排空,使空气吸人煤气系统而发生事故。
冷凝工段所用接受槽大部分用钢板焊制而成,均设有放散散、放空管、人孔、满流口和液面测量计等。煤焦油储槽底部设置厂保温加热用蛇管间接加热器,将煤焦油加热并保持在80~90℃,使之易于流动而便于排水。
接受槽和储槽的容积可按下列定额数据确定。
①循环氨水中间槽:相当于循环氨水泵5min的输送量。
②由管式初冲器来的冷凝液中间槽:储存时间0.5h。
③由管式初冷器来的冷凝液分离槽:分离时间3h。
④由直接式初冷2C来的冷凝液分离槽:分离时间3h。
5剩余氨水储槽:储存时间18h。
⑥煤焦油储槽储存时间:2个昼夜,送出煤焦油含水量小于4%。
各储槽放散管放出的有害气体,应汇集一起,集中用水或油洗涤除去并回收有害物质后再排放,以改善了冷凝工段操作环境。

第五节 煤气初冷操作和常见事故处理
一、煤气初冷操作
以横管式煤气初冷工艺为例。
(一)初冷的操作
1.初冷器的正常操作
①经常检查初冷韶上、下段的冷却负荷,及时调整循环水和制冷水进出流量和温度使之符合工艺要求。
②经常检查初冷器前、后煤气温度和煤气吸力,并控制符合工艺要求。
③定时检查并清扫初冷器上、下段排液管从水封槽,保持其排液畅通。
④定期分析初冷器后煤气含萘,使之符合技术要求。
⑤经常检查上、下段冷凝液循环泵的运转情况和循环槽液位、温度和上、下段冷凝液循环喷洒情况。
⑥定期分析上、下段冷疑液含煤焦油量及含萘情况。
⑦经常检查下段冷凝液循环槽连续补充轻质煤焦油情况。
⑧经常注意初冷器阻力,定期清扫初冷器.
2.初冷器的开工操作
①检查初冷器各阀门均处于关闭状态。
②检查初冷器上、下段水封液位,并注满水。
③上、下段冷凝液循环槽初次开工注入冷凝液为冷凝液循环槽容量的2/3。
④检查初冷器上、下段冷液管排液畅通,必要时可用蒸汽吹扫。
⑤打开初冷器顶部放散,用氮气或蒸汽赶出器内空气,经分析排气含氧合格后,关闭放散。
⑥赶净空气后立即开启煤气进出口阀门,使煤气顺利通过初冷器。
⑦在开启初冷器煤气进出口阀门的同时,顺序打开循环水进出阀门,打开制冷水出门阀门,慢开制冷水进口阀门,井调节初冷器煤气出口温度符合工艺要求。
⑧开通初冷器上、下段冷凝液循环泵泵前泵后管道,按规程操作启动上、下段冷凝液循环泵,并根据工艺要求调整循环流量。
⑨初冷器开工后,要对初冷器前后煤气吸力、温度以及循环给水、回水、制冷给水,回水的温度进行跟踪检查,并逐步调整,最终达到工艺要求。
3.初冷器的停工操作
①关闭初冷器煤气进出口阀门。
②关闭初冷器制冷水、循环水进出口阀门,并放空初冷器内冷却水。
3关闭初冷器上、下段冷凝液喷洒管,停止喷洒。
4检查下液管畅通,并用蒸汽清扫下液管。
⑤用热氨水冲洗初冷器上段及下段。
⑥打开初冷器顶部的放散管阀门,用蒸汽吹扫初冷器。吹扫完毕待冷却后关闭放散管阀门,放空上、下段水封槽液体,并把水封槽底部清扫干净,重新注入软水,初冷器经N2隋性化后处于备用状态。
4.初冷器的换器操作
按初冷器开工步骤先投入备用初冷器,当备用初冷投入正常后,按初冷器停工步骤,停下在用初冷器。
5.初冷器的清扫
当初冷器阻力增大时,投入备用初冷器.再对停下的初冷铅进行清扫处理。
①检查上、下段下液管,保证畅通,放空初冷器内存水。
②打开初冷器顶部热氨水喷洒阀门,对初冷器上段管间进行冲洗。
③上段用热氨水冲洗完毕后,打开初冷器顶部放散和下部蒸汽阀门对初冷器进行蒸汽吹扫。吹扫前应关闭下液管,防止冲破水封。
④蒸汽吹扫一段时间后,关闭蒸汽,排放冷凝液后,再关闭下液管,开蒸汽吹扫。如此反复吹扫操作,直到排出冷凝液基本不带抽为止,初冷铅清扫完毕。
5清扫完毕后,待初冷器温度降低<50℃时,关闭各阀门,如有条件最好向初冷器内充氮气或净煤气保持初冷器徽正压备用。
(二)冷凝液系统操作
1.机械化氨水澄清槽的开上操作
①关闭澄清槽各放空阀门。
②检查入孔及备用口是否已经上好堵板。
3打开各路氨水、冷凝液入槽阀门,把煤焦油氨水、冷凝液引入澄清槽。
④当氨水将满槽时启动链条刮扳机运行。
⑤氨水满槽后打开氨水出口阀门,把氨水引进循环氨水槽。
⑥调整调节器控制合适的油水界面,保证循环氨水不带油,煤焦抽不带水,并把煤焦油连续压人煤焦油中间槽。
2.煤焦油中间槽煤焦油脱水操作
①当煤焦油入槽,油面高度超过槽内加热器后,打开加热器蒸汽阀门和蒸汽冷凝水引出阀门,并检查冷疑水排出是否正常。
②控制煤焦油脱水温度90~95℃。
③当槽中煤焦油液位升到槽上部排水口时、打开排水阀门,把煤焦油上层分离水排入废液收集槽,然后用液下泵间断送人机械化氨水澄清槽。
④排出煤焦油分离水后,把煤焦油泵送到酸碱油品库。
(三)排气洗净塔操作
①向尾气液封槽注满水。
②从洗净塔上部向塔注入循环水,使塔底循环槽水位达到液位指示2/3处。
③打开排气洗净泵循环管路上的全部阀,开通循环管线。
④关闭洗净泵出n阀门,按规程操作启动洗净泵,并调盯循环喷洒量,满足排气洗净要求。
⑤打开排气风机入口阀门,启动排气风机,把各储槽放散排气送人洗净塔。
⑥待排气洗涤循环正常后,适当打开送生化处理装置阀门,适量排出洗涤污染废液送生化处理装置,并向塔内等量注入新鲜循环水,保持塔底液位稳定。
(四)各水泵、油泵的操作
循环氨水泵、剩余氨水泵、上段冷凝液循环泵、下段冷凝液循环泵、排气洗净泵、凝结水泵及煤焦油泵和液下泵的操作大致雷同。
1.开泵前的准备工作
①检查泵及电动机地脚螺栓是否紧固,电动机接地是否可靠。
②检查联轴器连接是否良好,盘车转动是否灵活,检查同轴度是否良好和有无蹭、卡现象,装好安全防护罩。
③检查轴承油箱油质、油位。
④煤焦油泵需用蒸汽清扫泵前泵后管道,冬季还需用蒸汽预热油泵至盘泵灵活。
⑤检查泵出口阀门、压力表取压阀、排气阀、放空阀均处于关闭状态,检查各法门连接是否牢固可靠。
2.开泵操作
①打开泵前阀门和排气阀门,引液体赶净泵前管道内的空气后关闭排气阀。
②启动水泵(或油泵),缓慢打开压力表取压阀,当压力表上压后缓慢打开泵出口阀,并调节其开度,使泵流量满足工艺要求。
③泵运转正常后要经常巡查、点检泵、电动机得运转声响、振动情况、轴承及电动机温度和润滑情况、介质温度压力、流量情况。
3.停泵操作
①关闭泵出口阀门。
②桉停泵按钮停泵。
③关闭泵进口阀门。
④待压力表指针复零位后,关闭取压阀。
⑤冬季要放空泵及管道内液体,防止冻坏设备。
⑥煤焦油泵停泵后需用蒸汽吹扫泵前,泵后管道,防止堵塞。
4.换泵操作
①按开泵操作开启备用泵。
②缓慢开启备用泵出阀门的同时,缓慢同步关闭在用泵出口阀门。
③待备用泵运行稳定并符合工艺要求后,按停泵操作停在用泵。
二、煤气初冷常见事故处理
1.初冷器冷却效果交差
间接初冷器使用一段时间后,冷却效果变差,主要原因是管外壁和管内壁沉积了污物或生长了水垢,从而降低了传热效率,在生产中,通常采用下面的方法提高冷却效果。
(1)管外壁清扫 冷却水管的外壁沉积的萘、煤焦油、粉尘等,致使初冷器壳程阻力增大。主要是由高压氨水喷射无烟装煤氨水压力太高;煤料细度过大;喷洒氨水煤焦油混合液中含萘高;低温段水温大低;长时间未清扫等原因引起。针对问题生产的原因进行处理:降低无烟装煤氨水压力;降低煤料细度;在喷洒氨水煤焦油混合液中补加轻质煤焦油;降低低温水量;清扫初冷器,可用水蒸气或煤气清扫,但最好用热煤气清扫,因为用水蒸气清扫则会增加酚水部处理量,另外,煤焦油气化后会在管壁上沉积一层不易清除的油垢、而用热煤气清扫操作简单,不产生废水。方法是:先将初冷器内的冷却水放空,开大煤气入口阀,出口阀保持一定的开度,使初冷器内温度维持在为55~75℃之间(煤气的流量约700~1000m3/h),这样,粘在管壁上的萘、煤焦油等便被热煤气熔化除去。
(2)管内壁的清扫 初冷器直管或横管内通过冷却水,故管内壁往并有水垢和沉砂等沉积物,主要是由冷却水水质差和水温过高引起。这种沉积物一般用机械法和酸洗法清扫,机械法清扫劳动强度大、酸洗法是用质量分数为3%的盐酸,酸中加人0.2%的质量分数为4%的甲醛或每升酸中加入l~2g六次甲基四胺 、又名乌洛托品。作缓蚀剂,在50℃左右的温度下冲洗管内壁,水垢中的碳酸盐和盐酸反应生成可溶性的氯化钙和二氧化碳,水垢消失。
CaCO3+2HCL CaCL2+CO2+H2O
(3)改进初冷器冷却水得水质 为防止在冷却器内管子的内壁结垢,可采下述措施。
①根据冷却水的硬度控制初冷器出水的温度,硬度越高,初冷出水的温度应越低。一般情况下,硬度(德国度)为100dH时,出水温应低于50℃,硬度为150dH时,出水水温应低于45℃;硬度200dH以上.冷却器出水的水温应低于40℃。
②掺人部分含酚废水,即可补充水的蒸发损失,也可防止结垢和长青苔。
③在进水主管安装永磁器,使水以一定的速度通过磁场,这样水中的一些碳酸盐在切割磁力线的过程中受到磁化,结晶生长受到破坏,亦即水垢生成困难。
④有些焦化厂对循环冷却水进行水质处理,也达到减少或防止结垢的目的。例如加入防垢剂,使水中的物质不结硬垢,而变成沉渣排除。
(4)用间冷和直冷合一的煤气初冷器 在管式初冷器的最后一段(按煤气流向),采用冷凝液直冷方法,可以减少油垢的沉积,提高煤气的冷却效果。流程如图2—18所示。

2.冷器冷凝液下液管堵塞
下液管堵塞引起下液管下液不畅通,煤气阻力增大,主要原因是煤料细度太大。处理方法,开备用初冷器,清理已停初冷器下液管;请调度协调。
3.循环氨水不清洁
到集气管、桥管去的循环氨水比较脏,会给喷洒氨水带来不利,由此而使煤气冷却效果降低。循环氨水不清洁的主要原因是煤焦油与氨水分离不好,煤焦油被带人循环氨水中。如果煤焦油氨水澄清槽内循环水量不够,煤焦油末及时压出,则循环氨水中更容易带入煤焦油。为此,应确保循环氨水量正常,不跑水。此外,应定时将煤焦油从澄清槽压送出去,最好采用连续压送煤焦油的操作。
|